


















公司网址:www.www.wagawa.com
厂家服务热线:0903-6682528
全国服务热线:400-966-8288
公司地址:新疆和田洛浦县杭桂路232号
德赢vwin登录 为列当科植物德赢vwin登录 [Cistanche tubulosa(Schenk)R. Wight]的干燥带鳞叶的肉质茎,性温、味甘咸,为补肾壮阳、润肠通便之要药,是中亚地区及新疆特有的药用植物,主要分布于南疆塔克拉玛干沙漠边缘地区[1]。德赢vwin登录 收载于2015 年版《中国药典》(一部)[2],其主要功能成分为苯乙醇苷类化合物[3]。近年来研究发现,德赢vwin登录 中的苯乙醇苷类化合物在神经保护[4]和延缓神经退行性疾病[4-5]方面具有良好的开发前景,现已成为研究的热点之一。毛蕊花糖苷为苯乙醇苷类化合物中的活性成分之一,本课题组前期药效评价实验结果表明,毛蕊花糖苷对神经细胞具有保护作用[4]、对东莨菪碱所致小鼠学习记忆获得性障碍具有改善作[5]、对D-半乳糖致衰老模型小鼠的氧化损伤具有抑制作用[6]。毛蕊花糖苷在德赢vwin登录 中的提取工艺,为该药材的深入开发和综合利用提供参考。方法:采用高效液相色谱法对德赢vwin登录 中的毛蕊花糖苷进行含量测定。色谱柱为Inertsil-ODS-3V,流动相为甲醇-0.2%甲酸水溶液(40 ∶60,V/V),流速为1 mL/min,柱温为30 ℃,检测波长为330 nm,进样量为10 μL。以毛蕊花糖苷的提取率为考察指标,分别对浸泡时间、乙醇浓度、液
料比、提取时间、提取次数进行单因素试验;根据上述试验结果采用Box-Behnken 响应面法对乙醇浓度、液料比、提取时间等条件进行优化,并对优化后的提取工艺进行验证试验。结果:毛蕊花糖苷检测质量浓度的线性范围为18.65~932.4 μg/mL。最优提取工艺为乙醇浓度63%、液料比8 ∶1(mL/g)、浸泡2 h、提取时间1.5 h、提取2 次。3 次平行验证试验所得毛蕊花糖苷的提取率分别为78.21%、76.95%、79.34%,与预测值76.76%的相对误差分别为1.89%、0.25%、3.36%。结论:优化所得德赢vwin登录 中毛蕊花糖苷的提取工艺稳定、可行,适用于该化合物的提取。
关键词德赢vwin登录 ;毛蕊花糖苷;响应面法;Box-Behnken 设计;提取工艺;优化
含量约为0.05~8%[7],对其进行开发利用具有很大的药用前景。药效学实验表明,毛蕊花糖苷具有多靶点作用,有望开发成保护脑神经、改善记忆的脑病药物[8-9]。Box-Behnken 响应面设计法是可靠的实验设计以及分析方法,可通过对过程的回归拟合和响应曲面、等高线的绘制来计算出响应于各因素水平的响应值,是解决多变量问题的一种有效的统计方法[10]。鉴于此,本研究采用该法优化德赢vwin登录 中毛蕊花糖苷的提取工艺,为德赢vwin登录 的深入开发和综合利用提供参考。
1 材料
1.1 仪器
LC-20AT型高效液相色谱仪,包括LC-20AB型二元泵、SPD-M20A型二极管阵列检测器、CBM-20A型系统控制器、CTO-20A型柱温箱、SIL-20A型自动进样器(日本Shimadzu 公司);SQP-QUINTIX 35-1 CN型万分之一分析天平[赛多利斯科学仪器(北京)有限公司];DZTW型恒温电热套(北京市永光明医疗仪器有限公司)。
1.2 药品与试剂
德赢vwin登录 炮制片(新疆维吾尔自治区和田苁蓉堂2015 年秋收炮制片,批号:20150806,毛蕊花糖苷含量:≥3.79%;将德赢vwin登录 炮制片用药锤敲碎,粉碎机粉碎后过四号筛,即得德赢vwin登录 粉末,备用);毛蕊花糖苷对照品(中国食品药品检定研究院,批号:111530-201208,纯度:92.5%);甲醇为色谱纯,甲酸、乙
醇等为分析纯,水为纯化水。
2 方法与结果
2.1 毛蕊花糖苷的含量测定
采用高效液相色谱法(HPLC)测定。
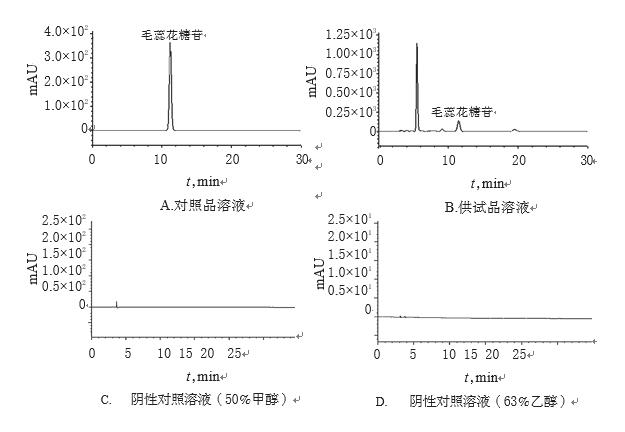
2.1.1 色谱条件色谱柱:Inertsil ODS-3V(250 mm×4.6 mm,5 μm);流动相:甲醇-0.2%甲酸水溶液(40 ∶60,V/V);流速:1 mL/min;柱温:30 ℃;检测波长:330 nm;进样量10 μ L。在上述色谱条件下取“2.1.2”“2.1.3”
“2.1.4”项下溶液进样测定,色谱图见图1。

2.1.2 对照品溶液的制备取毛蕊花糖苷对照品适量,精密称定,置于10 mL棕色量瓶中,加50%甲醇溶解并稀释至刻度,得每1 mL含毛蕊花糖苷0.932 4 mg的对照品溶液。
2.1.3 供试品溶液的制备准确称取德赢vwin登录 粉末100 g,按液料比8 ∶1(溶剂体积∶粉末质量,mL/g,下同)加入63%乙醇,浸泡2 h,然后置于100 ℃恒温水浴锅中回流提取2 次,每次1.5 h,趁热滤过,放冷,合并提取液,精密量取提取液1 mL至25 mL量瓶中,加50%甲醇定容,即得。
2.1.4 阴性对照溶液的制备分别以50%甲醇与63%乙醇作为阴性对照溶液。
2.1.5 方法学考察精密量取“2.1.2”项下对照品溶液0.2、0.5、1、2、3、5、10 mL,分别置于10 mL 量瓶中,加50%甲醇定容至刻度,摇匀,用0.45 μm微孔滤膜滤过,按“2.1.1”项下色谱条件测定。以对照品溶液质量浓度(x)为横坐标、峰面积(y)为纵坐标进行线性回归,得回归方程为y=19 952x-218 412(r=0.999 8),表明毛蕊花糖苷检测质量浓度的线性范围为18.65~932.4 μg/mL。以信噪比10 ∶1、3 ∶1 测得定量限、检测限分别为0.229 6、0.071 8 μg/mL。方法学考察结果显示,精密度[毛蕊花糖苷峰面积的RSD为0.57%(n=6)]、稳定性[毛蕊花糖苷峰面积的RSD为1.38%(n=6)]、重复性[毛蕊花糖苷峰面积的RSD为0.87%(n=6)]、加样回收率[毛蕊花糖苷低、中、高质量浓度的平均加样回收率依次为99.6%、100.5% 、100.7% ,RSD 分别为2.55% 、0.83% 、0.44%(n=9)]均符合2015年版《中国药典》(四部)要求[11]。
2.2 提取方法
准确称取德赢vwin登录 粉末,按一定液料比加入适宜浓度的乙醇,浸泡一定时间后,置于100 ℃恒温水浴锅中回流提取数次,趁热滤过,放冷,合并提取液,精密移取提取液1 mL至25 mL 量瓶中,以50%甲醇定容后,取样10 μL,按“2.1.1”项下色谱条件进样测定,按标准曲线法计算毛蕊花糖苷含量。另取德赢vwin登录 粉末,采用2015 年版《中国药典》(一部)项下方法[2]进行含量测定,并通过以下公式计算毛蕊花糖苷提取率[12]:提取率
(%)={[提取液体积(mL)×提取液含量(mg/mL)]/[药材质量(g)×药材含量(mg/g)]}×100%。
2.3 单因素试验
在德赢vwin登录 苯乙醇苷类成分乙醇回流提取的过程中,浸泡时间、乙醇浓度、提取时间、液料比、提取次数等因素对提取效果有重要影响[13-14]。因此本研究以毛蕊花糖苷提取率为考察指标,对上述因素进行考察。2.3.1 浸泡时间称取德赢vwin登录 粉末100 g,共5 份,固定提取时间为1 h、液料比为10 ∶1、溶剂浓度为60%、提取次数为1 次,分别对浸泡时间0、2、8、12、24 h 进行考察,结果见图2A。由图2A可见,当浸泡时间≥2 h,毛蕊花糖苷的提取率基本趋于稳定,综合考虑提取效率,最终确定最佳浸泡时间为2 h。
2.3.2 乙醇浓度称取德赢vwin登录 粉末100 g,共4 份,
图1 高效液相色谱图

固定提取时间为1 h、液料比为10 ∶1、浸泡时间为2 h、提取次数为1 次,分别对提取溶剂水、40%乙醇、60%乙醇和80%乙醇进行考察,结果见图2B。由图2B 可见,当乙醇浓度为60%时,毛蕊花糖苷的提取效果最好;提高
乙醇浓度至80%时,毛蕊花糖苷的提取效率反而下降,故选择乙醇浓度50%~70%进行后续试验。
2.3.3 提取时间称取德赢vwin登录 粉末100 g,共4 份,固定液料比为10 ∶1、乙醇浓度为60%、浸泡时间为2 h、提取次数为1 次,分别对提取时间1、1.5、2、2.5 h 进行考察,结果见图2C。由图2C可见,随着提取时间延长,毛蕊花糖苷提取率先增大后减小,于1.5 h 达到峰值,故选择提取时间1~2 h进行后续试验。
2.3.4 液料比称取德赢vwin登录 粉末,100 g,共4 份,固定提取时间为1.5 h、乙醇浓度为60%、浸泡时间为2 h、提取次数为1 次,分别对液料比6 ∶1、8 ∶1、10 ∶1、12 ∶1 进行考察,结果见图2D。由图2D 可见,当液料比为8 ∶ 1时,毛蕊花糖苷的提取率最高;随着液料比增加,毛蕊花糖苷提取率先增大后减小,故选择液料比6 ∶1~10 ∶1 进行后续试验。
2.3.5 提取次数称取德赢vwin登录 粉末100 g,共4 份,固定液料比为8 ∶1、乙醇浓度为60%、浸泡时间为2 h、提取时间为1.5 h,分别对提取次数1、2、3、4 次进行考察,结果见图2E。由图2E 可见,提取2 次后毛蕊花糖苷的
提取率为73.57%,提取第3 次与第4 次时毛蕊花糖苷提取率基本不变,考虑工艺的成本,最终确定最佳提取次数为2 次。
由上述单因素试验结果可知,浸泡2 h 以后,延长浸泡时间所得毛蕊花糖苷的提取率基本保持不变;提取2次以后,增加提取次数所得提取率亦基本保持不变。故从节约能源与缩短试验周期的角度考虑,未将浸泡时间与提取次数作为后续优化因素。
2.4 Box-Behnken响应面试验
2.4.1 Box-Behnken 试验设计在单因素试验的基础上,选择乙醇浓度(A)、液料比(B)、提取时间(C)为考察因素,采用3 因素3 水平的响应面法进行试验。因素与水平见表1,试验设计与结果见表2。
2.4.2 模型建立与方差分析通过Design-Expert 8.0.5软件对上述试验结果进行多元二次回归拟合,得到回归方程:毛蕊花糖苷提取率(Y)=75.86+5.38A+1.38B-0.58C + 0.18AB + 0.57AC + 0.57BC - 9.00A2 - 5.26B2 -
2.50C2(r=0.993 3)。r>0.09 提示该模型拟合度较好,预测性较好[15]。对该模型进行方差分析,结果见表3。根据表3 中F 的大小,推测影响本试验提取率大小的影响因素为乙醇浓度>液料比>提取次数,所建模型经检验具有显著性(P<0.000 1),说明模型与实际情况吻合良好;模型失拟项检验不具有显著性(P=0.671 5>0.05),说明未知因素对模型拟合结果的干扰少,模型误差较小;可用该模型较好地描述各因素与响应值之间的真实关系。因此,可用该模型预测毛蕊花糖苷的提取工艺条件。
2.4.3 响应面图与等高线图分析分别以乙醇浓度
(A)、液料比(B)、提取时间(C)为响应因子,以毛蕊花糖苷提取率为响应值,使用Design-Expert 8.0.5软件绘制

乙醇浓度和液料比的交互作用对毛蕊花糖苷提取率的影响如图3A、3B 所示,固定液料比,乙醇浓度在50%~62.96%范围内,毛蕊花糖苷的提取率逐渐增高,当乙醇浓度超过62.96%时,毛蕊花糖苷的提取率降低,当固定乙醇浓度时,毛蕊花糖苷的提取率随着液料比的增加,先增大后减小;图3B等高线图表明,乙醇浓度和液料比之间的交互作用显著。乙醇浓度和提取时间的交互作用对毛蕊花糖苷的提取率影响如图3C、3D所示,固定乙醇浓度,提取时间在1~2 h 的范围内毛蕊花糖苷的提取率先升高后下降,提取率最高点对应的提取时间为1.47 h;图3D等高线图表明,乙醇浓度和提取时间交互作用显著。提取时间和液料比的交互作用对毛蕊花糖苷的提取率影响如图3E、3F 所示,固定提取时间,液料比在6 ∶1~10 ∶1 的范围内毛蕊花糖苷提取率先增高后下降,提取率最高点对应的液料比为8.26 ∶1;图3F 等高线图表明,液料比和提取时间之间的交互作用显著。根据以上结果,运Design-Expert 8.0.5 软件优化所得的毛蕊花糖苷提取最佳工艺为乙醇浓度62.96%、液料比8.26 ∶ 1、浸泡时间2 h、提取时间1.47 h、提取2次。在此条件下毛蕊花糖苷提取率的预测值为76.76%。考虑到试验的便捷性、可行性与可操作性,笔者对预测的工艺参数进行微调,选择工艺参数为乙醇浓度63%、液料比8 ∶1、浸泡时间2 h、提取时间1.5 h、提取2 次。
2.5 验证试验
取德赢vwin登录 粉末100 g,共3 份,进行验证试验。结果,3 次验证试验毛蕊花糖苷提取率的RSD为1.20%(n=3),实测值与预测值的相对误差分别为1.89%、0.25%、3.36%,表明方程与真实试验情况拟合较好,优化的工艺可靠、可行,详见表4。
表4 验证试验结果



3 讨论
响应面法是通过一系列确定性的试验,拟合一个响应面来模拟真实极限状态的曲面图,其基本思想是假设一个包括一些未知参量的极限状态函数与基本变量之间的解析表达式来代替实际不能明确表达的结构极限状态函数[16-20]。而传统数理统计不能在已有“点”数据基础上对整体的“面”数据进行预测。因此,传统数理统计具有一定的局限性[17]。利用响应面设计试验,根据Box-Behnken 的中心组合试验设计原理来寻求最优的考察因素和响应值来避免传统数理统计存在的问题,最终精确找到最佳点并灵敏地考察各因素间的交互作用[17-22]。有关德赢vwin登录 中总苯乙醇苷类化合物的提取工艺报道较多[23-24],但对于因素的优化均采用正交试验方法进行,因此本文采用Box-Behnken 响应面分析法对德赢vwin登录 中毛蕊花糖苷的提取工艺进行研究。本研究选择浸泡时间、乙醇浓度、液料比、提取时间、提取次数等进行单因素试验,并从中筛选对提取率影响较明显的3 个因素(即乙醇浓度、液料比、提取时间)及相应水平,运用3 因素3 水平的响应面分析法进行最佳提取工艺筛选。该方法获得拟合程度较高的数学模型,交互作用结果表明乙醇浓度、提取时间和液料比对毛蕊花糖苷提取率的影响并非简单的线性关系。在乙醇浓度考察中,乙醇浓度至80%时毛蕊花糖苷的提取效率反而下降的原因,笔者认为,一方面,当乙醇浓度达到50%~70%时,药物在该溶剂中的溶解度最高;另一方面,可能是由于“相似相溶”原理,60%乙醇的
极性与毛蕊花糖苷极性相近[25]。在提取时间考察中,随着提取时间的延长,毛蕊花糖苷提取率反而下降,可能与毛蕊花糖苷发生降解有关。在提取液料比考察中,毛蕊花糖苷提取率的变化与其向溶剂扩散有关。当液料比低于6 ∶1 时,两相界面间的浓度差较小,不利于成分扩散;当液料比大于8 ∶1 时,受到已提成分对未提成分协同浸提作用的影响,提取率反而降低;当液料比大于10 ∶1时,成分质量浓度下降,不利于协同浸提,毛蕊花糖苷提
取率反而降低[25-26]。最终获得的最佳工艺参数为乙醇浓度63%、液料比8 ∶1、提取时间1.5 h,并通过验证试验证明了工艺的可行性。本工艺所用乙醇浓度为63%,浓度较低,可节省生产成本;同时,与其他提取方法[27-28]相比,具有更好的可重复性;此外,回流提取法简便易行,可作为进一步扩大生产的依据。综上所述,本研究优化所得德赢vwin登录 中毛蕊花糖苷的提取工艺稳定、可行,适用于该化合物的提取。
参考文献
[ 1 ] 郭元亨.荒漠肉苁蓉资源的综合利用[D].北京:中国科学院大学,2017.
[ 2 ] 国家药典委员会.中华人民共和国药典:一部[S].2015 年版.北京:中国医药科技出版社,2015:135-136.
[ 3 ] 王金芳.肉苁蓉不同部位苯乙醇苷类成分的定性定量研究[D].北京:北京协和医学院,2014.
[ 4 ] 白鹏,彭晓明,高莉,等.类叶升麻苷对冈田酸诱导的阿尔茨海默病细胞模型的保护作用研究[J].中国中药杂志,2013,38(9):1323-1326.
[ 5 ] 林娟,高莉,霍仕霞,等.类叶升麻苷对东莨菪碱致小鼠学习记忆障碍的改善作用[J]. 中国中药杂志,2012,37(19):2956-2959.
[ 6 ] 高莉,林娟,张富春,等.类叶升麻苷对D-半乳糖致衰老小鼠抗氧化作用的研究[J].中国药理学通报,2013,29(10):1440-1443.
[ 7 ] 宝山,鞠爱华,肖志彬.德赢vwin登录 中松果菊苷和麦角甾苷含量测定[J].中医药导报,2017,23(19):39-40、44.
[ 8 ] 马丁丁,黄晏,李栋,等.类叶升麻苷对STZ侧脑室注射模型小鼠认知行为及LTP 的影响[J].新疆医科大学学报,2017,40(3):328-333.
[ 9 ] 罗嘉楠,马丁丁,黄晏,等.类叶升麻苷对APP/PS1 双转基因小鼠行为学和抗氧化能力的影响[J].中药药理与临床,2016,32(6):56-60.
[10] 吴振起,高畅,杨璐,等.基于层次分析法结合Box-Behnken设计-响应面法优选养阴清肺汤加味提取工艺[J].中草药,2019,50(12):2862-2867.
[11] 国家药典委员会.中华人民共和国药典:四部[S].2015 年.北京:中国医药科技出版社,2015:375-377.
[12] 徐忠坤,陈广波,殷洪梅,等.延胡索药材提取工艺研究[J].世界科学技术:中医药现代化,2015,17(11):2318-2321.
[13] 王娇,许浚,张铁军.效应面法优化蒙花苷水解工艺及其水解物的醛糖还原酶抑制活性研究[J].中国中药杂志,2014,39(11):2060-2064.
[14] 李蒙,付艳秋,韩静,等.响应面法优化肉苁蓉苯乙醇苷回流提取工艺[J].中南药学,2015,13(8):819-823.
[15] 龙凯花,王春柳,李晔,等. Box-Behnken 响应面法优化穿心莲内酯自微乳的制备工艺[J]. 中国药房,2018,29(24):3372-3375.
[16] 刘刚,施偲,王辉,等. Box-Behnken 响应面分析法优化松茸多糖提取工艺[J]. 中华中医药学刊,2015,33(1):18-20、24.
[17] 徐璐,汪涛,郭巧生,等.响应面法优化超声辅助法提取昆仑雪菊色素的工艺研究[J]. 中国中药杂志,2014,39(24):4792-4797.
[18] 牟会荣,陈昆,王晓岚,等.正交试验法与响应面法在桑叶黄酮提取工艺优化中的应用和比较[J].江苏科技大学学报(自然科学版),2016,30(1):88-93.
[19] 杨家强,车万莉,彭红艳,等. Box-Behnken 响应面法优化荜茇总生物碱的提取工艺研究[J].中国药房,2018,29(13):1802-1805.
[20] 周芳,赵鑫,宫婕,等.响应面法优化超声辅助提取红皮云杉多酚工艺[J].食品工业科技,2014,35(1):210-213、218.
[21] ZHANG W,HUANG J,WANG W,et al. Extraction,purification,characterization and antioxidant activities of polysaccharidesfrom Cistanche tubulosa[J]. Int J Biol Macromol,2016,93(Pt A):448-458.
[22] 王新明,吕长鑫,芦宇,等.响应面优化水酶法提取红树莓籽油工艺[J].食品研究与开发,2019,40(1):110-113.
[23] 王毓杰.德赢vwin登录 中苯乙醇苷的提取和大孔树脂纯化工艺研究[J].中草药,2014,45(16):2344-2348.
[24] 孟庆艳,谢枰飞,罗锋,等.德赢vwin登录 中苯乙醇苷类成分的提取工艺优选[J].中国实验方剂学杂志,2011,17(2):28-31.
[25] 孙艳,杨志伟.火龙果总黄酮提取工艺优化[J].南方农业学报,2016,47(6):1001-1008.
[26] 周炳文,钟晓明,黄真.玄参环烯醚萜苷热回流提取工艺的优化[J].中成药,2018,40(6):1292-1297.
[27] 杨洋,封传华,李刚,等.车前草中总苯乙醇苷提取工艺研究[J].中国现代中药,2018,20(1):93-97.
[28] 刘莹,杨海艳,陈艳成,等.响应面法优化裸花紫珠叶中苯乙醇苷的醇提取工艺[J].天然产物研究与开发,2018,30(3):495-500.
公司:win德赢官方
地址:新疆和田洛浦县杭桂路232号
公司网址:www.www.wagawa.com
厂家服务热线:0903-6682528
全国服务热线:400-966-8288